| 型號 | SBS-120 | |
| -4D | -8D | |
| 靜摩擦扭矩 Nm | 15 | 30 |
| 額定電壓 DC-V | 24 | |
| 功率 W(at75℃) | 23 | |
| 重量 kg | 5 | |
2D、6D型也可以制作。
初期狀態時有可能無法達到額定扭矩。

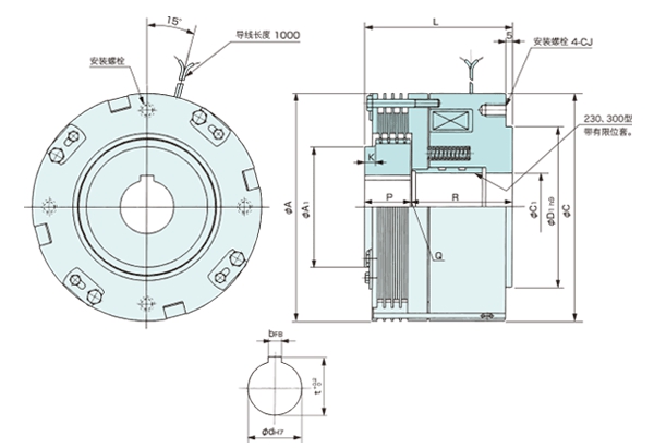
單位:mm
徑向 | 軸向 | 安裝 | 電源箱 | ||||
A | 120 | K | 7 | CJ | 節圓直徑 | 100 | |
A1 | 60 | L | 80 | 螺栓 | M6×10 | 無接點控制器 | |
C | 120 | P | 24 | 軸孔 | |||
C1 | 29 | Q | 1 | d | 20 | ||
D1 | 80 | R | 55 | b | 5 | ||
t | 22 | ||||||
地址:中國上海市長寧區仙霞路317號遠東國際廣場B棟2513-14室 郵編:200051
TEL:021-6235-0808 FAX:021-6235-0163 Email:ika@yanagawa-tec.com
CopyRight ? 2002-2025 All rights reserved ?www.yanagawa-tec.com 滬ICP備06029996號 滬公網安備31010502004579號