型號 | SF-825/BMF | 電源箱 | |
靜摩擦扭矩 Nm | 200 | 控制器 | |
額定電壓 DC-V | 24 | ||
功率 W(at75℃) | 33.5 | ||
重量 kg | 11 |

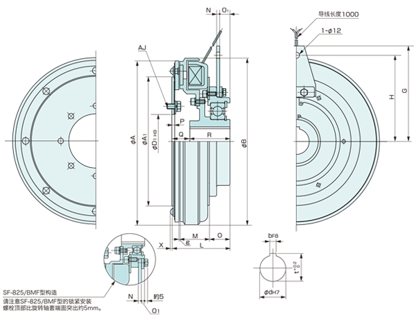
單位:mm
徑向 | 軸向 | 安裝 | ||||
A | 218 | L | 86.4 | AJ | 數 | 8 |
A1 | 170 | M | 48.4 | 節圓直徑 | 83 | |
B | 218 | N | 6 | 螺栓 | M10×20 | |
D1 | 60 | O | 26.5 | 軸孔 | ||
G | 150 | O1 | 6.2 | d | 40 | |
H | 132 | P | 3.8 | b | 10 | |
無接點控制器 | Q | 41.4 | t | 43.5 | ||
R | 45 | |||||
X | 4.4 | 電源箱 | ||||
g | 0.6 | |||||
| 返回列表 |
地址:中國上海市長寧區仙霞路317號遠東國際廣場B棟2513-14室 郵編:200051
TEL:021-6235-0808 FAX:021-6235-0163 Email:ika@yanagawa-tec.com
CopyRight ? 2002-2025 All rights reserved ?www.yanagawa-tec.com 滬ICP備06029996號 滬公網安備31010502004579號