型號 | NC-0.3 |
額定扭矩 Nm | 3 |
額定電壓 DC-V | 24 |
功率 W(at75℃) | 5 |
重量 kg | 0.22 |

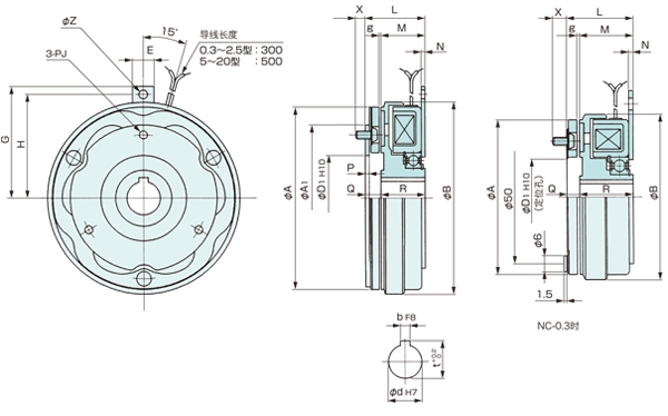
單位:mm
徑向 | 軸向 | 安裝 | 電源箱 | ||||
A | 58 | L | 24 | PJ | 節圓直徑 | 42 | |
B | 62 | M | 20 | 螺栓 | M3×6 | 控制器 | |
D1 | 29 | N | 1.6 | Z | 4.5 | ||
E | 10 | Q | 4 | 軸孔 | |||
G | 40 | R | 20 | d | 10 | ||
H | 35 | g | 0.3 +0.1 0 | b | 3 | ||
x | 5.5 | t | 11.5 | ||||
| 返回列表 |
地址:中國上海市長寧區仙霞路317號遠東國際廣場B棟2513-14室 郵編:200051
TEL:021-6235-0808 FAX:021-6235-0163 Email:ika@yanagawa-tec.com
CopyRight ? 2002-2025 All rights reserved ?www.yanagawa-tec.com 滬ICP備06029996號 滬公網安備31010502004579號