型號 | NC-0.6C |
額定扭矩 Nm | 6 |
額定電壓 DC-V | 24 |
功率 W(at75℃) | 8 |
重量 kg | 0.66 |
(注):未配置轉換連接板。

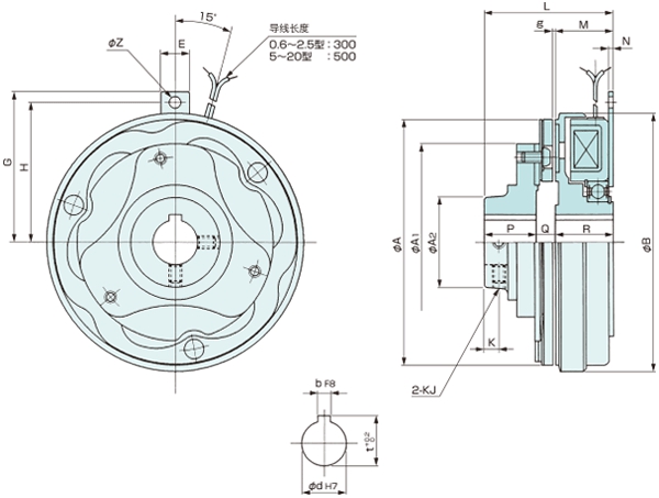
單位:mm
徑向 | 軸向 | 安裝 | 電源箱 | |||
A | 70 | L | 42.8 | K | 5 | |
A1 | 56 | M | 23 | KJ | M4 | 無接點控制器 |
A2 | 28 | N | 1.6 | Z | 4.5 | |
B | 74 | P | 13 | 軸孔 | ||
E | 14 | Q | 6.8 | d | 12 | |
G | 50 | R | 23 | b | 4 | |
H | 45 | g | 0.3 +0.1 0 | t | 13.5 | |
| 返回列表 |
地址:中國上海市長寧區仙霞路317號遠東國際廣場B棟2513-14室 郵編:200051
TEL:021-6235-0808 FAX:021-6235-0163 Email:ika@yanagawa-tec.com
CopyRight ? 2002-2025 All rights reserved ?www.yanagawa-tec.com 滬ICP備06029996號 滬公網安備31010502004579號