型號 | PTB-2.5BL3 |
額定扭矩 Nm | 25 |
額定電壓 DC-V | 24 |
功率W(at75°C) | 30 |
重量 kg | 11 |

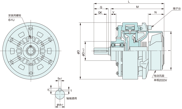
單位:mm
徑向 | 安裝 | ||||
D | 182 | YJ | 節圓直徑 | 78 | |
D1 | 55 | 螺栓 | M6×13 | ||
I | φ120 | 軸端 | |||
軸向 | Q | 43 | |||
L | 221.5 | QK | 38 | ||
M | 169.5 | d | 20 | ||
N | 43 | b | 5 | ||
Y | 15 | h | 5 | ||
t | 3 | ||||
| 返回列表 |
地址:中國上海市長寧區仙霞路317號遠東國際廣場B棟2513-14室 郵編:200051
TEL:021-6235-0808 FAX:021-6235-0163 Email:ika@yanagawa-tec.com
CopyRight ? 2002-2025 All rights reserved ?www.yanagawa-tec.com 滬ICP備06029996號 滬公網安備31010502004579號