型號 | AR-250 |
靜摩擦扭矩 Nm | 7 |
額定電壓 DC-V | 24 |
功率 W(at75℃) | 7 |
重量 kg | 0.78 |
(注)臂桿請按拉伸方向使用

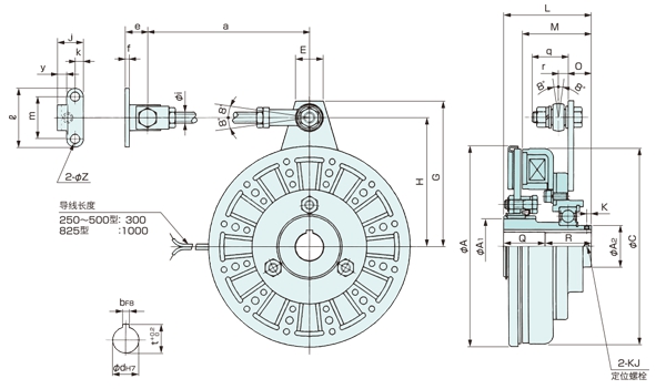
單位:mm
徑向 | 軸向 | 安裝臂桿 | 電源箱 | |||
A | 64 | L | 47 | a | 110 | |
A1 | 26 | M | 36.3 | e | 14 | 無接點控制器 |
A2 | 22 | O | 6.2 | f | 3.2 | |
C | 67 | Q | 13 | i | 6 | |
E | 20 | R | 34 | j | 17 | |
G | 54 | k | 5 | |||
H | 45 | l | 36 | |||
安裝 | 軸孔 | m | 26 | |||
K | 4.4 | d | 12 | q | 19.8 | |
KJ | M5 | b | 3 | r | 5.5 | |
t | 13 | z | 5 | |||
y | 9.2 | |||||
| 返回列表 |
地址:中國上海市長寧區(qū)仙霞路317號遠(yuǎn)東國際廣場B棟2513-14室 郵編:200051
TEL:021-6235-0808 FAX:021-6235-0163 Email:ika@yanagawa-tec.com
CopyRight ? 2002-2025 All rights reserved ?www.yanagawa-tec.com 滬ICP備06029996號 滬公網(wǎng)安備31010502004579號