型號 | SF-400/BMG | 電源箱 | |
靜摩擦扭矩 Nm | 28 | 控制器 | |
額定電壓 DC-V | 24 | ||
功率 W(at75℃) | 8 | ||
重量 kg | 2.3 |

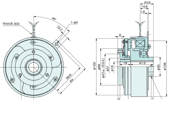
單位:mm
地址:中國上海市長寧區仙霞路317號遠東國際廣場B棟2513-14室 郵編:200051
TEL:021-6235-0808 FAX:021-6235-0163 Email:ika@yanagawa-tec.com
CopyRight ? 2002-2025 All rights reserved ?www.yanagawa-tec.com 滬ICP備06029996號 滬公網安備31010502004579號