型號 | SFC-1000/IMS |
靜摩擦扭矩 Nm | 350 |
額定電壓 DC-V | 24 |
功率 W(at75℃) | 31 |
重量 kg | 19 |
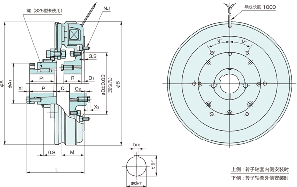
(注)轉子軸套的安裝根據中心線分為上下2種方式,不管哪種都能安裝。

單位:mm
徑向 | 軸向 | 安裝 | ||||
A | 262 | L | 262 | NJ | 數 | 6 |
A1 | 66.7 | M | 49.2 | 節圓直徑 | 155.6 | |
B | 260 | O1 | 6.3 | 螺栓 | M8×16 | |
D | 136.57 | O2 | 2.4 | V | 30 | |
P | 70.2 | 軸孔 | ||||
無接點控制器 | P1 | 63.5 | d | 48 | ||
Q | 28.4 | b | 12 | |||
R | 31.7 | t | 51.5 | |||
X1 | 7 | 電源箱 | ||||
X2 | 6 | |||||
地址:中國上海市長寧區仙霞路317號遠東國際廣場B棟2513-14室 郵編:200051
TEL:021-6235-0808 FAX:021-6235-0163 Email:ika@yanagawa-tec.com
CopyRight ? 2002-2025 All rights reserved ?www.yanagawa-tec.com 滬ICP備06029996號 滬公網安備31010502004579號