型號 | SFC-1225/BMS |
靜摩擦扭矩 Nm | 650 |
額定電壓 DC-V | 24 |
功率 W(at75℃) | 27 |
重量 kg | 36 |

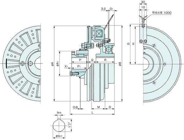
單位:mm
徑向 | 軸向 | 安裝 | 軸孔 | |||||
A | 320 | L | 188.1 | NJ | 數 | 12 | d | 50 |
A1 | 104.8 | M | 58.7 | 節圓直徑 | 247.6 | b | 12 | |
B | 322.5 | O | 22.8 | 螺栓 | M8×16 | t | 53.5 | |
| G | 170 | O1 | 40 | PJ | 數 | 8 | 控制器 | |
| H | 160 | P | 70.2 | 節圓直徑 | 92.07 | |||
電源箱 | Q | 32.9 | 螺栓 | M10×45 | ||||
R | 78 | V | 15 | |||||
X1 | 7 | |||||||
地址:中國上海市長寧區仙霞路317號遠東國際廣場B棟2513-14室 郵編:200051
TEL:021-6235-0808 FAX:021-6235-0163 Email:ika@yanagawa-tec.com
CopyRight ? 2002-2025 All rights reserved ?www.yanagawa-tec.com 滬ICP備06029996號 滬公網安備31010502004579號