型號 | EPR-1225A | |
離合器 | 制動器 | |
靜摩擦扭矩 Nm | 650 | 350 |
額定電壓 DC-V | 24 | |
功率 W(at75℃) | 27 | 25 |
重量 kg | 150 | |
(注)1.備有聚氯乙烯防塵罩可供選擇。
2.附帶吊環螺栓。

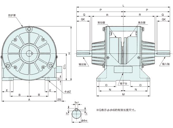
單位:mm
徑向 | 軸向 | 軸端 | |||
A | 340 | L | 676 | Q | 120 |
B | 130 | M | 386 | QK | 104 |
C | 187 | N | 169 | d | 50 |
D | 368 | O | 130.5 | b | 12 |
E | 72 | P | 338 | h | 8 |
G | 19 | R | 213 | t | 4.5 |
| H | 372 | Z | 22 | 控制器 | |
| I | 423 | ||||
地址:中國上海市長寧區仙霞路317號遠東國際廣場B棟2513-14室 郵編:200051
TEL:021-6235-0808 FAX:021-6235-0163 Email:ika@yanagawa-tec.com
CopyRight ? 2002-2025 All rights reserved ?www.yanagawa-tec.com 滬ICP備06029996號 滬公網安備31010502004579號