型號 | NB-0.3 |
額定扭矩 Nm | 3 |
額定電壓 DC-V | 24 |
功率 W(at75℃) | 5 |
重量 kg | 0.16 |

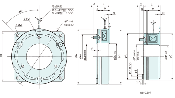
單位:mm
徑向 | 軸向 | 安裝 | 電源箱 | ||||
A | 58.2 | L | 20 | PJ | 節圓直徑 | 42 | |
C | 58 | M | 16 | 螺栓 | M3×6 | 無接點控制器 | |
D1 | 74 | N | 1.6 | Z | 節圓直徑 | 66 | |
D2 | 29 | g | 0.3 +0.1 0 | 孔徑 | 3.5 | ||
D3 | 28 | x | 5.6 | ||||
I | 54 | ||||||
| 返回列表 |
地址:中國上海市長寧區仙霞路317號遠東國際廣場B棟2513-14室 郵編:200051
TEL:021-6235-0808 FAX:021-6235-0163 Email:ika@yanagawa-tec.com
CopyRight ? 2002-2025 All rights reserved ?www.yanagawa-tec.com 滬ICP備06029996號 滬公網安備31010502004579號