型號 | PBS-825/IMS |
靜摩擦扭矩 Nm | 180 |
額定電壓 DC-V | 24 |
功率 W(at75℃) | 30 |
重量 kg | 6.9 |

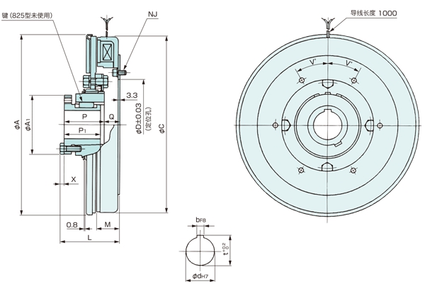
單位:mm
徑向 | 軸向 | 安裝 | ||||
A | 218 | L | 69.9 | NJ | 數 | 6 |
A1 | 63.5 | M | 37 | 節圓直徑 | 107.9 | |
B | 212 | P | 44.7 | 螺栓 | M8×16 | |
D | 88.95 | P1 | 32 | V | 30 | |
Q | 21.2 | 軸孔 | ||||
無接點控制器 | X | 4 | d | 28 | ||
b | 7 | |||||
t | 31 | |||||
電源箱 | ||||||
| 返回列表 |
地址:中國上海市長寧區仙霞路317號遠東國際廣場B棟2513-14室 郵編:200051
TEL:021-6235-0808 FAX:021-6235-0163 Email:ika@yanagawa-tec.com
CopyRight ? 2002-2025 All rights reserved ?www.yanagawa-tec.com 滬ICP備06029996號 滬公網安備31010502004579號